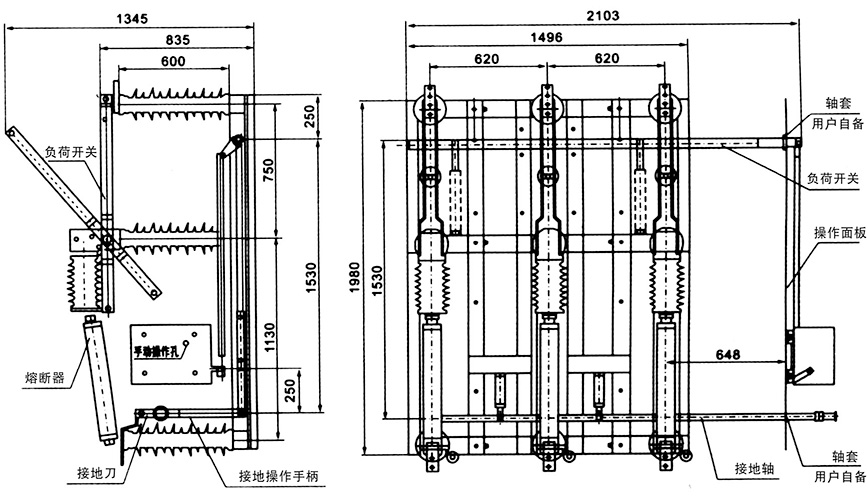
FZW口-40.5戶外高壓隔離真空負荷開關底架采用不銹鋼材料和熱鍍鋅外加防紫外線保護涂料的碳鋼,確保了機體在戶外環境下的正常運行,零部件采用不銹鋼材料,保證了負荷開關的耐用性,穩定性和防水,防鹽霧等性能。該力大,安全可靠、電壽命長、可頻繁操作、少維護、繼口明顯等極其顯著的特點。操作方式采用單桿式手動操作,也可采用電動、遠控操作。">
電話:
0512-68139771
手機:
18962118288
郵箱:
leirvo@163.com
地址:
蘇州高新區昆侖山路189號



